蝶阀
您的位置: 主页 > 产品中心 > 蝶阀
prevnext

D373H不锈钢涡轮硬密封蝶对夹蝶阀

  • D373H硬密封对夹蝶阀产品概述: 该阀引进能够国外先进技术的基础上,采用精密的J形弹性密封圈和三偏心多层次金属硬密封结构,被广泛用于介质温度425℃的治金、电力、石油化工、以
  • 咨询热线:0577-67313796
  • 产品详情



D373H硬密封对夹蝶阀产品概述:
 
D373H、D673H、D973H对夹式硬密封蝶阀该产品用于石油、化工、电力、冶金、食品、轻纺、造纸等行业,可安装在温度≤425℃,介质为煤气、空气、蒸汽、水、海水、油品等工业管网上作调节流量和切断介质用。
驱动形式有手动、蜗轮传动、气动、液动、电动、电液联动等执行机构,可实现远距离控制和自动化操作。金属硬密封蝶阀系列产品。其结构采用三维编心原理设计,阀座采用硬软密封兼容的多层次结构,加工精。本产品由阀体、蝶板、多层次阀座、阀杆、传动机构等主要部件组成。因此被地应用到冶金、电力、石油、化工、空气、煤气、可燃气体以及给排水等腐蚀性介质的管道上。
该阀引进能够国外先进技术的基础上,采用精密的J形弹性密封圈和三偏心多层次金属硬密封结构,被广泛用于介质温度≤425℃的治金、电力、石油化工、以及给排水和市政建设等工业管道上,作调节流量和载断流体使用。该阀采用三偏心结构,阀座与碟板密封面均采用不同硬度和不锈钢制作,具有良好的耐腐蚀性,使用寿命长,本阀军邮双向密封功能,产品符合国家GB/T13927-92阀门压力试验标准。

D373H硬密封对夹蝶阀特点:
 
1、本阀采用三偏心密封结构,阀座与蝶板几乎无磨损,具有越观越紧的密封功能。
2、密封圈选用不锈钢制作,具有金属硬密封和弹性密封的双重优点,无论在低温和高温的情况下,均具有优良的密封性能,具有耐腐蚀,使用寿命长等特点。
3、碟板密封面采用堆焊钴基硬质合金,密封面耐磨损,使用寿命长.
4、大规格蝶板采用绗架结构,强度高,过流面积大,流阻小。
5、本阀具有双向密封功能,安装时不受介质流向的限制,也不受空间位置的影响,可在任何方向安装。
6、驱动装置可以多工位(旋转90°或180°)安装,便于用户使用。

性能参数:

三偏心法兰硬密封蝶阀型号

D343H/Y-10C
D343H/Y-16C
D343H/Y-25C
D343H/Y-40C
D343H/Y-64C
D343H/Y-100C

D643W/Y-10P
D643W/Y-16P
D643W/Y-25P
D643W/Y-40P
D643W/Y-64P
D643W/Y-100P

D943W/Y-10R
D943W/Y-16R
D943W/Y-25R
D943W/Y-40R
D943W/Y-64R
D943W/Y-100R

工作压力(MPa) 0.6~10.0 (PN6-PN100)
口径(mm) DN50-DN4000
适用温度(℃) ≤400℃
适用介质 水、油、气、醋酸类、硝酸类等其他介质
材料 阀体 WCB CF8 CF8M 铬钼钢 低温钢 镍合金 Monel Duplex Steel
蝶板 WCB CF8 CF8M 铬钼钢 低温钢 镍合金 Monel Duplex Steel
阀杆 2Cr13 F304 F316铬钼钢 低温钢 镍合金 Monel
密封面 SS+柔性石墨 不锈钢司太立合金 碳化钨 镍合金 Monel
填料 柔性石墨 PTFE

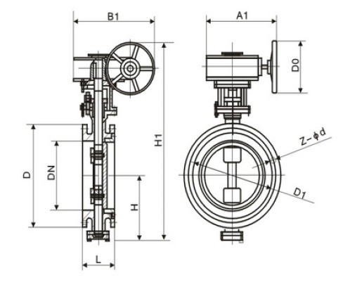
结构图:


连接尺寸:

D73H/D373H/D673H/D973H-(6、10)C、P、R、V系列对夹式金属硬密封蝶阀:

公称
通径
DN

外形尺寸

连接尺寸

L

H

D73H/D373H/D673H/D973H

PN0.6MPa

PN1.0MPa

H1

A1

B1

D1

Z-d

D1

Z-d

50

43

112

350

180

200

110

4-14

125

4-18

65

46

115

370

180

200

130

4-14

145

4-18

80

64

120

380

180

200

150

4-18

160

8-18

100

64

138

420

180

200

170

8-18

180

8-18

125

70

164

460

180

200

200

8-18

210

8-18

150

76

175

555

270

280

225

8-18

240

8-22

200

89

208

605

270

280

280

12-18

295

8-22

250

114

243

680

270

280

335

12-22

350

12-22

300

114

283

800

380

420

395

12-22

400

12-22

350

127

310

835

380

420

445

16-22

460

16-22

400

140

340

915

450

470

495

16-22

515

16-26

450

152

380

960

480

490

550

16-22

565

20-26

500

152

410

1020

480

490

600

20-22

620

20-26

600

178

470

1225

480

490

705

20-26

725

20-30

700

229

550

1355

640

660

810

24-26

840

24-30

800

241

640

1470

640

660

902

24-30

950

24-33

900

241

710

1545

750

860

1020

24-30

1050

28-33

1000

300

770

1795

850

900

1120

28-30

1160

28-36

1200

360

890

1965

850

900

1340

32-33

1380

32-39


D73H/D373H/D673H/D973H-(16、25)C、P、R、V系列对夹式金属硬密封蝶阀:

公称
通径
DN

外形尺寸

连接尺寸

L

H

D73H/D373H/D673H/D973H

PN1.6MPa

PN2.5MPa

H1

A1

B1

D1

Z-d

D1

Z-d

50

43

112

350

180

200

125

4-18

125

4-18

65

46

115

370

180

200

145

4-18

145

8-18

80

49

120

380

180

200

160

8-18

160

8-18

100

56

138

420

180

200

180

8-18

190

8-22

125

64

164

460

180

200

210

8-18

220

8-26

150

70

175

555

270

280

240

8-22

250

8-26

200

71

208

605

270

280

295

12-22

310

12-26

250

76

243

680

270

280

335

12-26

370

12-30

300

83

283

825

380

420

410

12-26

430

16-30

350

92

310

900

380

420

470

16-26

490

16-33

400

102

340

980

450

470

525

16-30

550

16-36

450

114

380

1030

480

490

585

20-30

600

20-36

500

127

410

1105

480

490

650

20-33

660

20-36

600

154

470

1310

480

490

770

20-36

770

20-39

700

165

550

1435

640

660

840

24-36

875

24-42

800

190

640

1605

640

660

950

24-39

990

24-48

900

203

710

1745

750

860

1050

28-39

1090

28-48

1000

216

770

1885

850

900

1170

28-42

1210

28-56

1200

254

890

2105

850

900

1390

32-48

1420

32-56


D73H/D373H/D673H/D973H-(40)C、P、R、V系列对夹式金属硬密封蝶阀:

公称
通径
DN

外形尺寸

连接尺寸

L

H

D73H/D373H/D673H/D973H

PN4.OMPa

H1

A1

B1

D1

Z-d

50

43

112

350

180

200

125

4-18

65

46

115

370

180

200

145

8-18

80

49

120

380

180

200

160

8-18

100

56

138

420

180

200

190

8-22

125

64

164

460

180

200

220

8-26

150

70

175

555

270

280

250

8-26

200

71

208

605

270

280

320

12-30

250

76

243

680

270

280

385

12-33

300

83

283

825

380

420

450

16-33

350

92

310

900

380

420

510

16-36

400

102

340

980

450

470

585

16-39

450

114

380

1030

480

490

610

20-39

500

127

410

1105

480

490

670

20-42


咨询:D373H不锈钢涡轮硬密封蝶对夹蝶阀