
| 公称压力(MPa) | 0.6 | 1.0 | |
| 试验压力(MPa) | 壳体 | 0.9 | 1.5 |
| 密封 | 0.66 | 1.1 | |
| 使用介质 |
煤浆、粮浆、纸浆、泥浆、活 水砂浆、矿渣、碱液 |
||
| 工作温度 | ≤100℃ | ||
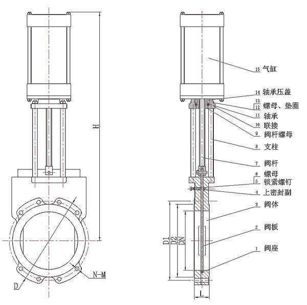
主要零件材料:
| 体、盖 | 不锈钢、碳钢、灰铸铁 |
| 闸板 | 碳钢、不锈钢 |
| 阀杆 | 不锈钢 |
| 密封面 | 橡胶、四氟、不锈钢、硬质合金 |
主要外形连接尺寸:
| MPa | DN | L | D | D1 | B | H | n-M | 2 | |
| PN0.6 | PN1.0 | ||||||||
| 1.0 | 50 | 40 | 40 | 125 | 100 | 115 | 335 | 4-M16 | 45° |
| 65 | 40 | 40 | 145 | 120 | 115 | 363 | 4-M16 | 45° | |
| 80 | 50 | 50 | 160 | 135 | 150 | 395 | 4-M16 | 22.5° | |
| 100 | 50 | 50 | 180 | 155 | 150 | 465 | 4-M16 | 22.5° | |
| 125 | 50 | 50 | 210 | 185 | 190 | 530 | 4-M16 | 22.5° | |
| 150 | 60 | 60 | 240 | 210 | 190 | 630 | 4-M20 | 22.5° | |
| 200 | 60 | 60 | 295 | 265 | 230 | 750 | 4-M20 | 22.5° | |
| 250 | 70 | 70 | 350 | 318 | 280 | 900 | 8-M20 | 15° | |
| 300 | 70 | 80 | 400 | 368 | 350 | 1120 | 8-M20 | 15° | |
| 350 | 80 | 90 | 460 | 430 | 350 | 1260 | 10-M20 | 11.25° | |
| 400 | 90 | 120 | 515 | 482 | 350 | 1450 | 10-M24 | 11.25° | |
| 450 | 90 | 120 | 565 | 532 | 350 | 1600 | 14-M24 | 9° | |
| 500 | 100 | 130 | 620 | 585 | 350 | 1800 | 14-M24 | 9° | |
| 600 | 100 | 140 | 725 | 685 | 430 | 2300 | 14-M27 | 9° | |
咨询:Z673X-10气动浆液阀