
产品概述:
单膜片低阻力倒流防止器是一种用于城市供水供水单位,一般污染单位供水时严格限定管道中的压力,水只能单向流动的水力控制组合装置,它的功能是在任何工况下防止管道中的介质倒流或者虹吸倒流,一达到避免倒流污染的目的。
产品特点:
1.结构更加紧凑,尺寸短,体积小,倒流低,噪音小,在经济流速下正常工作水损为1.3-2.5米。
2.泄水阀的精度与泄水压力可调,使其受管道压力波动干扰少,启闭安全可靠,没有非正常排水现象。
3.单膜片设计,膜片等关键部件的久经考验的可靠性.使其质量优于普通的低阻力倒流防止器。
4.两级止回阀的独特流道设计,流阻小,启闭速度快,可有效防止背压突然升高对阀门及管道的破坏,限制压力水倒流或虹吸倒流,具有静音功能,有效处长阀门使用寿命。
5.人性化设计,产品可水平或立式安装,在线测试,在线检修。
性能参数:
防污隔断阀,倒流防止器技术要求
1. 设计,制造技术要求按CJ/T160的规定;
2. 阀门检查和试验按GB/T13927的规定;
3. 阀门结构长度按GB/T12221的规定;
4. 法兰尺寸按GB/T17241.6的规定;
5. 阀门装配前表面涂环氧树脂粉沫,并符GB/T17219的规定。
适用范围:
城建、化工、冶金、石油、制药、食品、饮料、环保。使用压力:1.0MPa,1.6MPa 使用介质:洁净水 介质温度:≤80℃
主要零件及材质:
工作原理:
DSBP741X低阻力倒流防止器是在阀门系统增设一个排水泄压装置,这样即使二级止回密封同时破坏,其也能起到防止回流污染的作用。其工作原理:
(1)正常供水:
a. 清洁市政生活水从第一级止回阀经过排水器到第二级止回阀出口向用户供水,第一级止回阀进口高压水通过高压软管进入排水器隔膜上腔,而隔膜下腔与第一级止回阀出口(第二级止回阀进口)相通,由于其存在一定的压差ΔP1=0.035MPa,推动阀瓣下移,排水器关闭,倒流防止器正常供水;
b. 当阀后管路无用户,水静止。如进口压力保持不变,其前后存在压差ΔP1=0.035MPa,排水器仍呈关闭状态,如进口压力下降,中间腔和阀前压差ΔP1≤0.022MPa时,则排水器控制弹簧推开阀芯,打开排水器让中间腔排水,使ΔP1保持在0.035MPa;
(2)密封失灵时:
a. DSBP741X低阻力倒流防止器之后管网压力升高,超过阀前进口压力时,如第二止回阀密封完好无渗漏,高压水不会倒流,排水器隔膜上下保持原来压差,排水器关闭,不泄压。当第二级止回阀密封破坏产生渗漏,第二级止回阀之前压力升高,造成排水器隔膜上下压差减小,排水器打开,排水泄压;此时,如第一级止回阀同时密封破坏,由于第二级止回阀倒流回的高压水已泄压减压,故不会倒流回第一级止回阀。
b. 当阀后压力高于阀前压力时,如供水压力不断下降,则排水器隔膜上部压力下降,安全排水器控制弹簧推动阀芯打开排水器排水。当进口压力下降至零或负压时,排水器完全打开,水排出,空气从排水器进入真空腔,从而防止产生虹吸倒流现象。
(3)本阀开启压力≤0.07MPa,规范规定在0.06~0.1MPa范围内,进水口止回阀工作压差为0.035MPa。
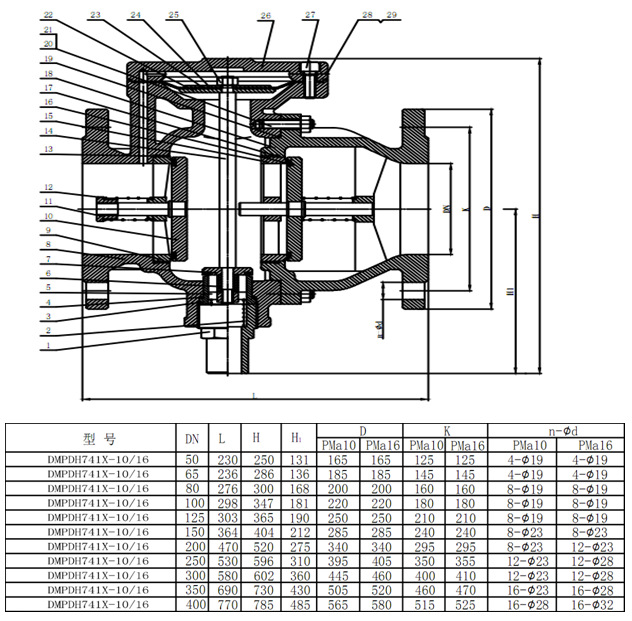
主要连接尺寸:

安装要求:
1. 倒流防止器必须水平安装,安装地点环境应清洁,有足够的维护空间,安全型倒流防止器配有空气隔阻器,其出口必须接至排水管网或下水道中。
2. 安装地域应设排水设施。
3. 阀前应装闸阀(蝶阀)过滤器及橡胶软接头(或伸缩器),阀后装闸阀(蝶阀)。
安装示意图:
