

产品介绍:
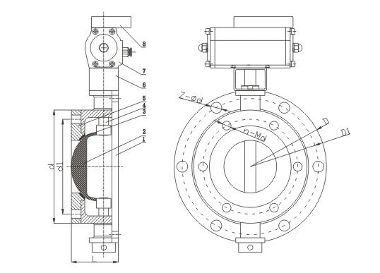
气动圆顶阀是一个球面圆顶,圆顶阀在开关过程中,阀芯与橡胶密封圈间保持有约2mm的间隙,使阀芯与橡胶密封圈可以以无接触的方式运动,目的是使阀芯与密封圈之间不产生摩擦,减少磨损。圆顶阀的气动执行元件为全封闭回转推杆式气缸,直接驱动圆顶阀转动,有效地防止了灰尘进入其中造成磨损、泄漏等现象的发生。当圆顶阀处于关闭状态时,橡胶密封圈充气,膨胀紧紧地压在球面圆顶阀芯上,从而形成一个非常可靠的密封环带,阻止了管道内物料的流动。当圆顶阀开启时,橡胶密封圈排气,圆顶阀阀芯开启,此时阀门打开。
工作特点:
1.气动陶瓷圆顶阀可以切断进入压力罐的流动料流或者静止料柱,然后关闭实现密封。从而保证罐内的充填率为100%,且无须依赖于发送罐的料位计,所以控制原理简单可靠。
2.当处理磨琢性物料时,内嵌于圆顶阀座的可膨胀压力密封圈,保证阀门前后的工作压力差。弹性的可膨胀密封圈可以内陷物料颗粒,避免了由于压差作用物料颗粒发生滑动,对阀座和密封圈的磨损。
3.当渣浆、散装粉末、颗粒、团块或充满气体的灰尘将磨损密封圈,导致无效密封。可膨胀密封圈对此提供了连续的磨损补偿。压力差将加速传统的硬密封阀的磨损,可膨胀密封圈对此提供了连续的磨损补偿。
4.热膨胀将有碍圆顶阀的连续动作;可膨胀密封圈可在-40℃至320℃温度范围内提供磨损补偿;特殊构造的圆顶阀可胜任高于此温度范围的工作。
5.旋转中的穹形阀芯在阀体内的位移动作使密实的物料柱得以转动,被物料完全填满的圆顶阀因而能穿过塞满的物料关闭并密封。
产品特点:
1、具有重量轻、流阻小及密封性能可靠、使用寿命长等优点。
2、转动灵活、动作快,开关只需5~8秒,阀门传动采用气动,是管道自动化系统中的理想配件;
3、由于半球在开启和关闭的全过程,密封圈都不充气,球面与密封圈处于脱离接触状态,半球与密封圈没有摩擦,因此限度的提高了阀门的使用寿命;
4、上、下阀杆轴套都采用自润滑结构,摩擦系数小,启闭灵活;
5、配置阀门开关信号装置,实现远距离自动控制,满足微机自动操作的需要。接近开关和接线端子采用集成及快速接头方式,在现场连接中更简便。
圆顶阀的优点:
1、整个膛内无阻碍的物料流动
2、设计简单、可靠
3、开闭灵活,可以关断动态和静态的物料柱
4、规格尺寸齐全:DN50-DN300
5、关闭时可形成牢固的压力密封
6、可承受-20℃到480℃的温度
7、使用寿命长,维护量低
产品应用:
YDF-10P气动不锈钢圆顶阀又叫仓泵进料阀、透气阀、充气式进料阀,它可以切断进入压力罐的流动料流或者静止料柱,然后关闭实现密封。从而保证压力罐的充填率为,且无须依赖于发送罐的料位计,所以控制原理简单可靠。当处理磨琢性物料时,内嵌于阀座的可膨胀压力密封圈,保证阀门前后的工作压力差。弹性的可膨胀密封圈。圆顶阀是一种新型的快速关闭阀门,它采用国际的气封式结构,阀门启闭时阀芯与可充气密封圈之间无接触,密封圈采用特殊配方橡胶制成,可广泛应用于粉状物料的密封,是气力输送系统中的关键部件,广泛应用于电力、冶金、化工、食品、制药等领域。阀芯动作时与密封圈无接触、运行阻力小、使用寿命长。
陶瓷圆顶阀阀芯根据使用场合的不同,采用不同材料,表面进行不同硬化处理方式,利用阀芯光滑坚硬的表面,可保证与橡胶密封圈良好的紧密接触以保证密封的可靠。橡胶密封圈采用特种材料制成,具有耐高温、耐腐蚀、耐磨损、耐老化等特点,使用寿命长。阀门开启时,料口全流通无阻挡。该阀适用介质:气体,液体,半流体及固体粉末料输送系统正常运行,插入式密封圈寿命长达一年以上。
主要技术参数:
|
公称通径DN mm |
50 |
80 |
100 |
150 |
200 |
250 |
300 |
|
|
工作压力MPa |
≤1.0 |
|||||||
|
工作温度℃ |
≤200 |
|||||||
|
控制气源 |
压力MPa |
0.4~0.6 |
||||||
|
耗气量L/次 |
1~3 |
|||||||
|
适用介质 |
颗粒、干灰、干粉物料等 |
|||||||
主要零部件材料及应用规范:

|
主要部件 |
材质 |
备注 |
|
阀 体 |
铸钢 |
|
|
阀 芯 |
42CrMo 合金钢 |
表面镀铬硬化处理 |
|
密封圈 |
特制橡胶 |
耐磨、耐高温、耐腐蚀 |
|
轴 套 |
耐磨无油轴承 |



工作原理:
圆顶阀阀芯是一个球面圆顶,圆顶阀在开关过程中,阀芯与橡胶密封圈间保有约0.51.2mm的间隙,使阀芯与橡胶密封圈可以以无接触的方式运动,目的是使阀芯与橡胶密封圈之间不产生摩擦,减少磨损。圆顶阀的气动执行元件为90度回转摆动气缸,通过转轴驱动圆顶阀阀芯转动。圆顶阀的工作过程为:阀芯转动关闭后再对密封圈充气,先将密封圈排掉气,然后阀芯转动打开,密封圈不充气 这样完成一个循环。
常态:阀芯处于关闭位置时,转臂上的调整螺钉压在二位三通机动滑阀的顶杆上,气源对密封圈供气,压力表上显示出作用在密封圈上的压力。 打开状态:90°回转气缸开始动作前,先经过延时器将密封圈内的气从二位三通机动滑阀的排气孔排掉后,此时阀芯开始转动打开,在转动过程中,阀芯与密封圈之间不接触。
关闭状态:在关闭的指令下,气缸开始反向动作,当阀芯转动至关闭状态后,转臂上的调整螺钉压住二位三通机动滑阀的顶杆,然后气源经过延时器从二位三通机动滑阀的进气孔对密封圈供气。(关闭到位充气之间的时间通过调整螺钉来完成。)
咨询:YDF气动圆顶阀