
产品说明:
Y11X可调式支管减压阀主要用于各种建筑给水系统、消防系统、中央空调系统、采暖系统等。它用于支管减压,可使供水压力分配更加均衡,避免部分供水超压,优化高层建筑给水分区。它可代替分区调频变速水泵,在消防给水系统上可代替分区水泵,用于家用给水系统,可保护所有的水龙头和其它水器具。
结构特点:
1、采用直接作用隔膜式结构,内部结构非常简单,无卡阻,性能可靠,经久耐用。
2、耐脏防水垢,不需过滤器,不需旁通管,配管极其简单,能节省大量空间和配管成本。
3、极佳的水力特性,压力损失小,减压比可达成10:1以上。
4、可满足多种减压要求,特别适用于支管减压系统。
5、出口压力精密可调,在一般场合下,可以认为出口压力不受进口压力的影响(出口压力的变化量是△P1的8%)。
工作原理:
出口压力作用在隔膜底面和阀瓣底面,当它超过弹簧设定值时,压缩弹簧,使阀瓣关闭。只要下游无水流动,出口压力将基本保持在设定值(其变化量仅为入口压力变化量的8%);当下游用水时,出口压力下降,弹簧推开隔膜,打开减压阀。水流连续流通一阵后,减压阀的开启产生自阻尼效应,使启闭动作趋于平稳。
技术参数:
| 类型 | 型号 |
公称压力 PN(MPa) |
公称通径 DN(MPa) |
连接形式 | 阀体材料 | 出口压力(MPa) | 工作℃ |
| 可调式支管减压阀 |
Y11X-16T Y11X-25T |
1.6,2.5 | 15~50 | 内螺纹 | 青钢 | 0.05~0.6(可调) | 80 |
|
Y11X-16P Y11X-25P |
不锈钢 |
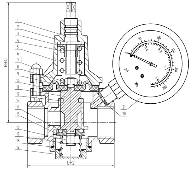
外形结构图:

主要外形尺寸:
| 公称通径DN(MPa) | 尺寸(MM) | 重量(Kg) | ||||
| MM | in | H1 | L | H | φG | |
| 15 | 1/2 | 31 | 60 | 76.5 | 59 | 1.2 |
| 20 | 3/4 | 31 | 75 | 76.5 | 73 | 1.2 |
| 25 | 1 | 36 | 88 | 85 | 81 | 1.4 |
| 32 | 11/4 | 42 | 93 | 98 | 81 | 1.5 |
| 40 | 11/2 | 45 | 98 | 102 | 85 | 2 |
| 50 | 2 | 54 | 130 | 117 | 98 | 2.65 |
(仅供参考详询客服)
咨询:Y11X-16P支管可调式减压阀