球阀
您的位置: 主页 > 产品中心 > 球阀
prevnext

CQA不锈钢槽车油罐球阀

  • 一、 槽车球阀 概述: CQA-25P槽车球阀 采用了单浮动球体固定封圈技术的燃气槽车专用装卸球阀,其与槽车紧急切断阀和装卸管总成配套使用,具有启闭快速,密封可靠的特点,作为控制
  • 咨询热线:0577-67313796
  • 产品详情



一、槽车球阀概述:

CQA-25P槽车球阀采用了单浮动球体固定封圈技术的燃气槽车专用装卸球阀,其与槽车紧急切断阀和装卸管总成配套使用,具有启闭快速,密封可靠的特点,作为控制槽车装车/卸车时介质流通和截断的装置。

 

二、槽车球阀设计参数:

法兰连接:JB/T79-94、GB9113-2000

结构长度:GB12221-89

 

三、槽车球阀主要零件材料:

 

阀体
球体、阀杆
密封圈
填料
不锈钢
不锈钢
增强聚四氟乙烯
聚四氟乙烯

 

四、槽车球阀主要性能参数:

 

公称压力
壳体试验
密封试验
适用介质
适宜温度
2.5
3.75
2.75
液化气、液氨等
-40~ 80℃
4.0
6.0
4.4

 

五、槽车球阀性能规范:

 

 

公称压力PN
1.6
2.5
MPa
壳体试验压力
2.4
3.75
气密封试验压力
1.76
2.75
低压气密封试验压力
0.5~0.7
适用介质
液化气、液氨
适用温度
-40~ 80℃

 

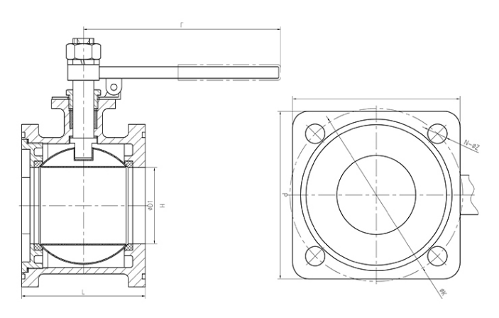
六、CQA槽车球阀主要外形尺寸和连接尺寸:



咨询:CQA不锈钢槽车油罐球阀