
产品用途:
H41H型 PN16~PN100 旋启式铸钢止回阀适用于压力 1.6~10MPa 工作温度 -10~+425℃ 的石油、化工、制药、化肥、电力行业等各种工况的管路上,适用介质为水、油品、蒸汽、酸性介质等。
产品特点:
H41H型旋启式铸钢止回阀是靠管路中介质本身的流动产生的力而自动开启和关闭的,属于一种自动阀门。止回阀用于管路系统,其主要作用是防止介质倒流、防止泵及其驱动电机机反转,以及容器内介质的泄放。止回阀还可用于给其中的压力可能升至超过主系统压力的辅助系统提供补给的管路上。
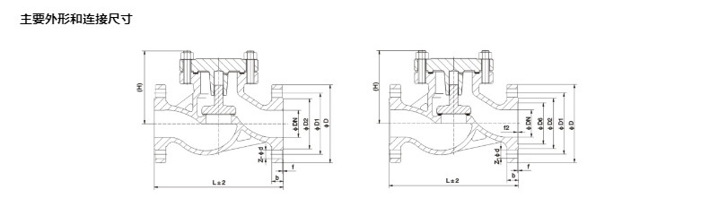
| 公称通径DN | 主要外形尺寸和连接尺寸 | WT | ||||||
| L | D | D1 | D2 | b | Z-φd | H | ||
| H41H-16C H41W-16C H41W-16P H41W-16R H41W-16I | ||||||||
| 15 | 130 | 95 | 65 | 45 | 14 | 4-14 | 77 | 3 |
| 20 | 150 | 105 | 75 | 55 | 14 | 4-14 | 77 | 4 |
| 25 | 160 | 115 | 85 | 65 | 14 | 4-14 | 80 | 5 |
| 32 | 180 | 135 | 100 | 78 | 16 | 4-18 | 85 | 7 |
| 40 | 200 | 145 | 110 | 85 | 16 | 4-18 | 95 | 9 |
| 50 | 230 | 160 | 125 | 100 | 16 | 4-18 | 105 | 10 |
| 65 | 290 | 180 | 145 | 120 | 18 | 4-18 | 120 | 20 |
| 80 | 310 | 195 | 160 | 135 | 20 | 8-18 | 130 | 30 |
| 100 | 350 | 215 | 180 | 155 | 20 | 8-18 | 140 | 39 |
| 125 | 400 | 245 | 210 | 185 | 22 | 8-18 | 155 | 50 |
| 150 | 480 | 280 | 240 | 210 | 24 | 8-23 | 180 | 70 |
| 200 | 600 | 335 | 295 | 265 | 26 | 12-23 | 215 | 161 |
| 250 | 730 | 405 | 355 | 320 | 30 | 12-25 | 260 | 251 |
| 300 | 850 | 460 | 410 | 375 | 34 | 12-25 | 315 | 395 |
| H41H-25 H41W-25 H41W-25P H41W-25R H41W-25I | ||||||||
| 15 | 130 | 95 | 65 | 45 | 16 | 4-14 | 100 | 3.4 |
| 20 | 150 | 105 | 75 | 55 | 16 | 4-14 | 105 | 5 |
| 25 | 160 | 115 | 85 | 65 | 16 | 4-14 | 120 | 5.7 |
| 32 | 180 | 135 | 100 | 78 | 18 | 4-18 | 130 | 9.1 |
| 40 | 200 | 145 | 110 | 85 | 18 | 4-18 | 135 | 11.8 |
| 50 | 230 | 160 | 125 | 100 | 20 | 4-18 | 149 | 14.4 |
| 65 | 290 | 180 | 145 | 120 | 22 | 8-18 | 160 | 23 |
| 80 | 310 | 195 | 160 | 135 | 22 | 8-18 | 169 | 30 |
| 100 | 350 | 230 | 190 | 160 | 24 | 8-23 | 194 | 44 |
| 125 | 400 | 270 | 220 | 180 | 28 | 8-25 | 222 | 65 |
| 150 | 480 | 300 | 250 | 218 | 30 | 8-25 | 255 | 99 |
| 200 | 600 | 360 | 310 | 278 | 34 | 12-25 | 305 | 190 |
| 250 | 730 | 425 | 370 | 332 | 36 | 12-30 | 355 | 315 |
| 300 | 850 | 485 | 430 | 390 | 40 | 16-30 | 410 | 450 |
咨询:H41H-16C铸钢法兰升降式止回阀