产品介绍:
PZ73TC陶瓷刀型闸阀采用耐磨陶瓷制作密封闸板及阀座均采用耐磨结构陶瓷,阀门耐冲刷,耐磨性好,闸板伸出阀腔,不会因介质塞满阀腔而影响闸板的开关,自紧密封结构,相比普通刀型闸阀,密封性能有较大提升,适用于矿浆、煤粉、渣水混合物、颗粒物料等介质的截断,维护简单,使用寿命较长。
耐磨陶瓷刀闸阀适用于固体,液体和气固两相介质传输系统,例如灰分,污泥,煤泥,矿石等。泥浆,污水,尤其是火力发电厂的煤系统,闸门和阀座的材料均由耐磨损,耐腐蚀,高温蠕变和热冲击的结构陶瓷制成。它使用寿命长且免维护。陶瓷刀闸阀具有出色的耐磨性和长寿命,并采用手动,气动和电动传输模式。
技术参数:
1、 公称通径: DN50~1000mm(2”~40”)
2、 公称压力:PN1.0~2.5MPa(150~300Lb)
3、 适用温度: <200℃
4、 适用介质:选煤、煤矿、矿浆、煤渣及固体颗粒等等
5、 应用范围:冶金、矿山、电力、输煤厂、水泥厂、选煤厂等行业
6、 材质:碳钢、不锈钢等
结构特点:
耐磨陶瓷刀阀适于用高硬度的颗粒等介质,有软颗粒但又有腐性的介质的管上作启之用。产品广泛适用于灰渣、泥、煤 浆、矿浆、污水等固体、液固、气固二相介质输送系统,尤其适用于火力发电厂石子煤统。可采用手动、气动和电动等驱动方式。
闸板、座密封面材料采用结构陶瓷造,耐损、耐腐蚀、抗高温、密封采用硬密封与介质接触的部分均为结构陶瓷材料,其 化学稳定性及硬度极高。因此,本阀具有及高的耐磨损、耐腐、耐冲蚀性能,且隔热性好、热膨胀小。
本阀料口全流通无阻挡物,耐磨性能强,密封性能好,启动负荷小卡灰及结灰现象少。本采用高裆曾结构陶瓷密封,机械强度 高耐磨性能好使用寿命长,结构紧凑可任意角度安装。
产品特性:
1、密封面由增强型结构陶瓷制成,有些是耐磨和耐腐蚀的。
2、刀闸阀由一个狭窄的阀体和一个滑门组成。
3、浇口具有锋利的刀刃,可以喷射或切割流体介质中的固体颗粒。
4、浇口的表面抛光可提高浇口的穿透力,并有效地保护填料和阀座的使用寿命。
5、在阀体底部安装了一个闸板压紧装置,可以将闸板支撑件压在阀座上,以牢固,有效地将其关闭。
6、产品广泛用于粉煤灰,矿渣,水泥浆,电力,化工,钢铁,采矿等行业。
产品优点:
1.密封面材料:结构陶瓷或超硬表面合金材料二种。
2.用煤渣、灰渣等气、固混合介质,闸板、阀座和流道部位采用了结构陶瓷材料制造,耐磨损、长寿命。
3.密封性能优越,并可进行密封棉修得。
4.进口阀座可作刮灰板,即使在落灰情况下也关闭自如。
5.阀体腔体结构彻底避免了卡阻、积灰的问题。
6.驱动方式:手动、气动和电动等。
性能特点:
1、结构长度采用短系列,阀门重量轻,可节省管道支撑架。
2、阀门在启闭过程中闸板能自行刮除附着介质、利于密封。
3、刀型闸板利于切断介质、排渣,阀门运行畅通不卡阻。
4、阀门采用对夹式链接。
5、契形限位块可提供密封力,密封可靠。
6、导向钉能提供良好的导向功能。
技术参数:
|
公称通径 |
DN50-600 2″~24″ |
|
|
|
压力等级 |
0.6MPa 1.0MPa 1.6MPa 2.5MPa |
|
|
|
ASME CLASS
150
|
DN50-250 |
10Bar |
|
|
|
DN300-400 |
6Bar |
|
|
|
DN450 |
5Bar |
|
|
|
DN500-600 |
4Bar |
|
|
|
适用温度 |
-29℃~+200℃ |
|
泄露等级 |
最高40ml/min/in |
|
|
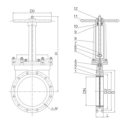
零部件材料:
|
序号 |
名称 |
材料 |
序号 |
名称 |
材料 |
|
1 |
阀座 |
结构陶瓷 |
7 |
阀杆 |
2Cr13 |
|
2 |
阀体 |
WCB |
8 |
支架 |
WCB |
|
3 |
阀板 |
304+结构陶瓷 |
9 |
螺母 |
青铜 |
|
4 |
填料 |
柔性石墨 |
10 |
轴承 |
|
|
5 |
填料压盖 |
WCB |
11 |
手轮 |
Qt400 |
|
6 |
锁轴 |
2Cr13 |
12 |
圆螺母 |
25# |
应用规范:
|
设计与制造 |
GB/T 8691 |
|
连接端尺寸 |
结构长度 |
GB/T 15188.2 |
|
法兰尺寸 |
JB/T 79.1 |
|
检验与试验 |
JB/T 8691 |
|
材料 |
碳钢 |
GB/T 12229 |
|
不锈钢 |
GB/T 12230 |
|
标志 |
GB/T 12220 |
|
供货 |
GB/T 12252 |
结构图:

连接尺寸:
|
DN |
PN(Mpa) |
L |
D |
D1 |
D2 |
H |
n-M |
D0 |
b |
|
50 |
1.0 |
43 |
165 |
125 |
100 |
285 |
4-M16 |
180 |
12 |
|
65 |
46 |
185 |
145 |
120 |
295 |
4-M16 |
180 |
12 |
|
80 |
46 |
200 |
160 |
135 |
315 |
8-M16 |
220 |
12 |
|
100 |
52 |
220 |
180 |
155 |
365 |
8-M16 |
220 |
12 |
|
125 |
56 |
250 |
210 |
185 |
400 |
8-M16 |
230 |
12 |
|
150 |
56 |
285 |
240 |
210 |
475 |
8-M20 |
280 |
14 |
|
200 |
60 |
340 |
295 |
265 |
540 |
12-M20 |
360 |
14 |
|
250 |
68 |
405 |
355 |
320 |
630 |
12-M24 |
360 |
16 |
|
300 |
78 |
460 |
410 |
375 |
780 |
12-M24 |
400 |
16 |
|
350 |
90 |
520 |
470 |
435 |
885 |
16-M24 |
400 |
16 |
|
400 |
90 |
580 |
525 |
485 |
990 |
16-M27 |
400 |
18 |
|
450 |
90 |
640 |
585 |
545 |
1100 |
20-M27 |
530 |
18 |
|
500 |
114 |
715 |
650 |
608 |
1200 |
20-M30 |
530 |
18 |
|
600 |
154 |
840 |
770 |
718 |
1450 |
20-M33 |
600 |
20 |