陶瓷阀
您的位置: 主页 > 产品中心 > 陶瓷阀
prevnext

D343TC法兰式陶瓷蝶阀

  • 产品概述: 法兰式陶瓷蝶阀蝶板密封圈与阀座密封圈采用高性能增韧结构陶瓷材料,耐磨损耐腐蚀,阀体采用整体法兰式结构,结构紧凑,体积小,重量轻,操作灵活,启闭力矩小,广
  • 咨询热线:0577-67313796
  • 产品详情




产品概述:
 
法兰式陶瓷蝶阀蝶板密封圈与阀座密封圈采用高性能增韧结构陶瓷材料,耐磨损耐腐蚀,阀体采用整体法兰式结构,结构紧凑,体积小,重量轻,操作灵活,启闭力矩小,广泛应用于各种高磨损场合。
D373TC陶瓷对夹蝶阀是一种结构简单的调节阀,也可用于低压管道介质的开关控制采用结构陶瓷做密封副,其优良的耐腐蚀、耐高温、耐磨损及耐冲蚀性能可广泛应用于石化、冶金、造纸、电站、炼油、煤炭等行业的各类酸碱盐气体、液体、高温蒸汽、泥浆和灰渣输送系统中作调节流量或切断介质。运动部分均采用结构陶瓷材料,弧面接触加工。采用偏心结构,减小运动部分的摩擦,延长阀门的使用寿命。蝶阀部分材质可依用途更换,适用于多种高磨损、高温、高腐的特殊工况。驱动方式有手动、气动、电动等。小巧轻便,容易拆装及维修,并可在任意位置安装。结构简单、紧凑,操作扭矩小,90°回转开启迅速。流量特性趋直线,调节性能好。

性能特点:
 
1、法兰式陶瓷蝶阀蝶板密封圈与阀座密封圈采用高性能增韧结构陶瓷材料,耐磨损耐腐蚀,阀体采用整体法兰式结构,结构紧凑,体积小,重量轻,操作灵活,启闭力矩小,广泛应用于各种高磨损场合。
2、密封副间三偏心锥角结构使蝶阀开启瞬间两密封面马上相互脱离,确保密封副间相互无摩擦。
3、密封副间三偏心结构关闭时具有越关越紧的功能,密封更加可靠,达到不泄漏,并且具有双向密封功能。
4、耐高温、高压、耐腐蚀、使用寿命长,享有“与管道同寿命”之美誉。
5、具有密封调节性能,密封性能下降时,可调节密封圈向阀座靠近,即可恢复密封性能。
6、工况需要时,通过调节蝶阀的启闭角度,进而起到调节流量的作用。

产品特点:
 
陶瓷蝶阀适用于硬度的颗粒介质,或有软颗粒但又有腐蚀性的介质管道上作启闭之用.
与介质接触的部分均为结构陶瓷材料,其化学稳定性硬度高,本阀具有耐磨损、耐腐蚀、耐冲蚀性能,且隔热性好、热膨胀小。
陶瓷良好的耐腐性,让本阀经久耐用,可靠性高,使用寿命长。

应用领域:
 
陶瓷蝶阀广泛用于火力发电厂、钢铁、石油、化工、造纸、生物工程、等行业。适用于锅炉蒸气、石灰浆液、含颗粒海水输送、高硬度颗粒、含软颗粒又带腐蚀性介质、粉末、烟气脱硫、排灰、排渣、给水处理。依用途更换材料,可用于不同温度和介质中。

产品参数:

主体:碳钢(WCB)、不锈钢(CF8、CF8M、CF3、CF3M)等
蝶板:不锈钢+增韧结构陶瓷
阀座:增韧结构陶瓷
阀杆:不锈钢
填料:橡胶/聚四氟乙烯/编织石墨
公称通径:DN50-DN500(2"-20")
公称压力:PN6-PN25
适用温度:-29~+425℃
操作方式:手轮,伞齿轮、气动、电动、液动、电液(可选)
适用介质:纸浆、污水、煤浆、矿渣等磨损性介质 

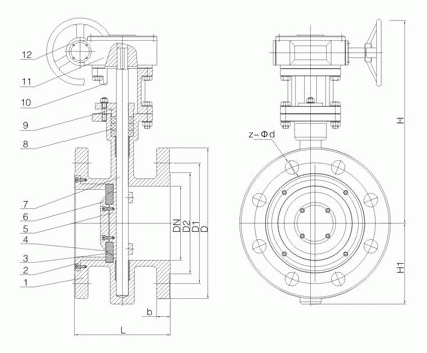
零件材料:

序号

 名称

 材料

 序号

 名称

 材料

 1

 阀体

 WCB

 7

阀杆 

2Cr13 

 2

压圈 

Q235 

 8

填料 

柔性石墨 

 3

 阀座

 结构陶瓷

 9

 填料压盖

 WCB

 4

密封圈 

 结构陶瓷

 10

 支架

 WCB

 5

 阀板

 WCB

 11

驱动装置 

 成品件

 6

 压板

 Q235

 12

 手轮

Qt400 


性能规范:

 设计与制造

GB/T 12224

 连接端尺寸

 结构长度

GB/T 12221 

法兰尺寸 

GB/T9113

 检验与试验

GB/T 13927 

 材料

碳钢 

GB/T 12229 

 不锈钢

GB/T 12230 

 标志

GB/T 12220 

 供货

GB/T 12252 


结构图:



连接尺寸:


DN

 PN(Mpa)

 L

 D

 D1

 D2

 H

 H1

 z-Φd

 50

1.0 

 108

 140

125 

 100

254 

 85

4-Φ18 

 65

 112

 160

 145

 120

 278

 95

 4-Φ18

 80

 114

 185

 160

 135

 312

 106

4-Φ18 

 100

 127

 205

 180

 155

 330

 114

8-Φ18 

 125

 140

 235

 210

 185

 365

 130

 8-Φ18

 150

 140

 260

 240

 210

 404

 148

8-Φ23

 200

 152

 315

 295

 265

 496

 176

8-Φ23

 250

 165

 370

 350

 320

 558

 210

 8-Φ23

 300

 178

435 

 400

368 

 632

238 

8-Φ23 



咨询:D343TC法兰式陶瓷蝶阀